ссылка продажи левитрона за 3тр
Самодельный Левитрон
Когда-то из каких-то хороших, но разрушенных компьютерных колонок ко мне попала микросхема TDA1552Q. Ознакомившись с даташитом (http://www.nxp.com/documents/data_sheet/TDA1552Q_CNV.pdf), я отложил ее «до лучших времен». Но недавно в Интернете мне случайно попалось слово «Левитрон» и множество изображений рекламного характера. Мозг быстро отбросил простые «волчки» и подвесные конструкции, остались «платформы» и вопрос: а получится ли у меня сделать нечто похожее, да еще и из хлама? Скажу сразу – получилось. Предлагаемая статья не только о том, как сделан левитрон (в Интернете хватает примеров), но и о том, как его настроить (чего я не нашел вовсе).
Сразу хочется поблагодарить участников форума РадиоКот, наполнивших сообщениями длинную веткуо левитроне, а также неизвестного автора схемы и чертежа. Особая благодарность – Barry Hansen за статью статью, которая для моего мозга стала мощным катализатором в работе над левитроном, хотя она посвящена подвесной, а не платформенной конструкции. Статья написана простым английским языком, с легким юмором и объяснениями, доступными даже школьнику.
Ссылки в благодарностях приведены не случайно, а рекомендованы для ознакомления всем желающим попробовать свои силы в конструировании левитронов.
Ссылки в благодарностях приведены не случайно, а рекомендованы для ознакомления всем желающим попробовать свои силы в конструировании левитронов.
Коротенькое виде:
Немного теории
Начнем, пожалуй, с механической схемы платформенного левитрона, сложившейся в моем понимании. Магнит, который парит над платформой, я буду здесь для краткости называть словом «фишка».
Эскиз платформы левитрона (сверху) изображен на рис. 1.
Эскиз платформы левитрона (сверху) изображен на рис. 1.
Рис. 1
На рис. 2 – силовая схема вертикального разреза по центральной оси платформы (как я ее себе представляю) в состоянии покоя и без тока в катушках. Все хорошо, кроме того, что состояние покоя в такой системе нестабильно. Фишка стремится сместиться с вертикальной оси системы и с силой шлепнуться на один из магнитов. При «ощупывании» фишкой пространства над магнитами ощущается силовой «горб» над центром платформы с вершиной, лежащей на центральной оси.
Рис. 2
mg – вес фишки,
F1 и F2 – силы взаимодействия фишки с магнитами платформы,
Fmag – суммарное воздействие, уравновешивающее вес фишки,
ДХ – датчики Холла.
F1 и F2 – силы взаимодействия фишки с магнитами платформы,
Fmag – суммарное воздействие, уравновешивающее вес фишки,
ДХ – датчики Холла.
На рис. 3. изображено взаимодействие фишки с катушками (опять же, по моему понятию), а остальные силы – опущены.
Рис. 3.
Из рисунка 3 видно, что цель управления катушками – создать горизонтальную силу Fss, направленную всегда к оси равновесия при возникновении смещения Х. Для этого достаточно включить катушки так, чтобы одинаковый ток в них создавал магнитное поле противоположного направления. Остался пустяк: измерить смещение фишки от оси (величину Х) и определить направление этого смещения с помошью датчиков Холла, а потом пропустить в катушках подходящей силы токи.
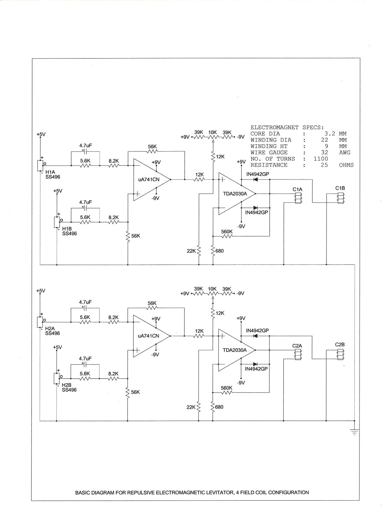
Простой повтор электронных схем – не в наших традициях, тем более, что:
– нет в наличии двух TDA2030A, а есть TDA1552Q;
– нет датчиков Холла SS496 (доступны примерно по $2 за штуку), а есть датчики, похожие на HW101, по 3 шт даром в каждом двигателе диска CD- или DVD-драйва;
– лень возиться с двуполярным питанием.
Даташиты:
SS496 — http://sccatalog.honeywell.com/pdbdownload/images/ss496.series.chart.1.pdfHW101- http://www.alldatasheet.com/datasheet-pdf/pdf/143838/ETC1/HW101A.html
– нет в наличии двух TDA2030A, а есть TDA1552Q;
– нет датчиков Холла SS496 (доступны примерно по $2 за штуку), а есть датчики, похожие на HW101, по 3 шт даром в каждом двигателе диска CD- или DVD-драйва;
– лень возиться с двуполярным питанием.
Даташиты:
SS496 — http://sccatalog.honeywell.com/pdbdownload/images/ss496.series.chart.1.pdfHW101- http://www.alldatasheet.com/datasheet-pdf/pdf/143838/ETC1/HW101A.html
Схема представляет собой два идентичных усилительных канала с дифференциальными входами и мостовыми выходами. На рис. 4 приведена полностью схема только одного канала усиления. Использованы микросхемы LM358 (http://www.ti.com/lit/ds/symlink/lm158-n.pdf) и TDA1552Q (http://www.nxp.com/documents/data_sheet/TDA1552Q_CNV.pdf).
Рис. 4.
На вход каждого канала подключена пара датчиков Холла так, чтобы подать на усилитель разностный сигнал. Выходы датчиков включены встречно. Это значит, что, когда пара датчиков находится в магнитном поле с одинаковой напряженностью, с нее на вход усилителя поступает нулевое разностное напряжение.
Балансировочные резисторы R10 взяты многооборотные, старые, советские.
В попытках выжать из усилителя достаточно высокий коэффициент усиления, я получил банальное самовозбуждение, предположительно, из-за бардака на монтажной плате. Вместо «уборки» в схему введены частотнозависимые RС-цепочки R15C2; они не обязательны. Если все же пришлось их установить, то сопротивление R15 нужно подобрать наибольшим, при котором самовозбуждение гаснет.
Питание всего устройства — адаптер (импульсный) на 12В 1,2А, перенастроенный на 15В. Энергопотребление в нормальном состоянии (с выключенным вентилятором) в итоге оказалось вполне скромным: 210-220 мА.
Балансировочные резисторы R10 взяты многооборотные, старые, советские.
В попытках выжать из усилителя достаточно высокий коэффициент усиления, я получил банальное самовозбуждение, предположительно, из-за бардака на монтажной плате. Вместо «уборки» в схему введены частотнозависимые RС-цепочки R15C2; они не обязательны. Если все же пришлось их установить, то сопротивление R15 нужно подобрать наибольшим, при котором самовозбуждение гаснет.
Питание всего устройства — адаптер (импульсный) на 12В 1,2А, перенастроенный на 15В. Энергопотребление в нормальном состоянии (с выключенным вентилятором) в итоге оказалось вполне скромным: 210-220 мА.
КонструкцияВ качестве корпуса выбран кожух дисковода 3,5”, что приблизительно соответствует габаритам прототипов. Для горизонтирования платформы
ножки сделаны из винтов М3.
В верхней части корпуса вырезано фигурное отверстие, хорошо видимое на рис.5. Впоследствии оно закрыто декоративной зеркальной пластиной из хромированной латуни, закрепленной винтиками от винчестеров.
ножки сделаны из винтов М3.
В верхней части корпуса вырезано фигурное отверстие, хорошо видимое на рис.5. Впоследствии оно закрыто декоративной зеркальной пластиной из хромированной латуни, закрепленной винтиками от винчестеров.
Рис. 5.
1 – места установки магнитов (снизу) и индикаторов баланса (опционально)
2 – «полюсные наконечники» катушек
3 – датчики Холла
4 – светодиоды подсветки (опционально)
2 – «полюсные наконечники» катушек
3 – датчики Холла
4 – светодиоды подсветки (опционально)
Датчики Холла расположены в отверстиях стеклотекстолитового основания платформы и распаяны на разогнутых ножках разъемов (не знаю типа). Разъемы выглядели как на рис.6.
Рис. 6.
Датчики выпаяны из двигателей CD- или DVD-привода. Там они расположены под краем ротора и хорошо видны на рис.7. На один канал нужно брать пару датчиков из одного двигателя – так они будут наиболее одинаковыми. Выпаянные датчики – на рис.8.
Рис. 7.
Рис. 8.
Для катушек были куплены пластмассовые шпули для швейных машинок, но на них оказалось мало места для обмотки. Тогда от шпуль были отрезаны щечки и приклеены на отрезки тонкостенной латунной трубки наружным диаметром 6мм и длиной 14мм. Трубка раньше была сегментом телескопической стержневой антенны. На четырех таких каркасах проводом 0,3 мм намотаны обмотки «почти послойно» (без фанатизма!) до заполнения. Сопротивление выровнено на 13 Ом.
Магниты – прямоугольные 20х10х5 мм и дисковые диаметром 25 и 30 мм толщиной 4 мм (рис.9) – пришлось все-таки купить… Прямоугольные магниты установлены под основанием платформы, а из дисковых сделаны фишки.
Рис. 9.
Вид устройства снизу и сзади (вверх дном) – на рис. 10 и 11 (легенда одна на оба рисунка). Бардак, конечно, живописный…
Микросхема U2 TDA1552Q (3) размещена на теплоотводе (9), который раньше работал на видеокарте. Сам радиатор закреплен винтами на отогнутых частях верхней крышки корпуса. На радиаторе (9) закреплены также гнездо питания (1), контрольные гнезда (2) и узел терморегулирования (5).
Кусок стеклотекстолита, который раньше был клавиатурой, служит основанием платформы. Катушки (7) закреплены на основании винтами М4 и гайками. На нем же с помощью хомутов и саморезов укреплены магниты (6).
Контрольные гнезда (2) сделаны из компьютерного разъема питания и закреплены сзади устройства вблизи балансировочных резисторов (10) так, что легко доступны без разборки. Подключены гнезда, естественно, к выходам обоих каналов усилителя.
Схема предусилителя и его стабилизатора питания, включая балансировочные резисторы (10), смонтирована на макетной плате и в результате наладки превратилась в живописный свинарничек, от макрофотографирования которого пришлось воздержаться.
Микросхема U2 TDA1552Q (3) размещена на теплоотводе (9), который раньше работал на видеокарте. Сам радиатор закреплен винтами на отогнутых частях верхней крышки корпуса. На радиаторе (9) закреплены также гнездо питания (1), контрольные гнезда (2) и узел терморегулирования (5).
Кусок стеклотекстолита, который раньше был клавиатурой, служит основанием платформы. Катушки (7) закреплены на основании винтами М4 и гайками. На нем же с помощью хомутов и саморезов укреплены магниты (6).
Контрольные гнезда (2) сделаны из компьютерного разъема питания и закреплены сзади устройства вблизи балансировочных резисторов (10) так, что легко доступны без разборки. Подключены гнезда, естественно, к выходам обоих каналов усилителя.
Схема предусилителя и его стабилизатора питания, включая балансировочные резисторы (10), смонтирована на макетной плате и в результате наладки превратилась в живописный свинарничек, от макрофотографирования которого пришлось воздержаться.
Рис.10.
Рис.11.
1 – крепление гнезда питания
2 – контрольные гнезда
3 – TDA1552Q
4 – выключатель питания
5 – узел терморегулирования
6 – магниты под хомутиками
7 – катушки
8 – магнитные шунты
9 – теплоотвод
10 – балансировочные резисторы
2 – контрольные гнезда
3 – TDA1552Q
4 – выключатель питания
5 – узел терморегулирования
6 – магниты под хомутиками
7 – катушки
8 – магнитные шунты
9 – теплоотвод
10 – балансировочные резисторы
НАЛАДКА
Выставление нулей на выходах обоих каналов при каждом отладочном включении – обязательно. Можно без фанатизма: +–20 мВ – вполне приемлемая точность. Возможно некоторое взаимовлияние между каналами, так что при значительном начальном отклонении (больше 1-1.5 вольт по выходу канала) выставление нулей лучше сделать дважды. Стоит помнить, что при железном корпусе баланс разобранного и собранного устройства – это две большие разницы.
ПРОВЕРКА ФАЗИРОВКИ КАНАЛОВ
Фишку нужно взять в руку и поместить над центром платформы включенного левитрона на высоте примерно 10-12мм. Каналы проверяются поочередно и раздельно. При смещении фишки рукой вдоль линии, соединяющей противоположные от центра датчики, рука должна чувствовать заметное сопротивление, создаваемое магнитным полем катушек. Если сопротивления не чувствуется, а руку с фишкой «сносит» от оси, нужно поменять местами провода с выхода проверяемого канала.
НАСТРОЙКА ПОЛОЖЕНИЯ ПАРЯЩЕЙ ФИШКИ
На видеороликах о самодельных платформенных левитронах нередко можно видеть, что фишка парит в наклонном положении, даже если сделана на базе дисковых магнитов, то есть, достаточно хорошо симметрирована. Не обошлось без перекоса и в описываемой конструкции. Возможно, в этом виноват металлический корпус…
Первая мысль: сместить вниз магниты с той стороны, где фишку излишне «подпирает».
Вторая мысль: сместить дальше от центра магниты с той стороны, где фишку излишне «подпирает».
Третья мысль: если магниты смещать, то магнитной ось системы постоянных магнитов платформы перекосится относительно магнитной оси системы катушек, из-за чего поведение фишки станет непредсказуемым (особенно при разном ее весе).
Четвертая мысль: сделать сильнее магниты с той стороны, куда наклонена фишка – была отброшена как несбыточная, потому что широкого ассортимента магнитов для подгонки негде было взять.
Пятая мысль: сделать слабее магниты с той стороны, где фишку излишне «подпирает» – оказалась удачной. Более того, достаточно простой в реализации. Магнит, как источник магнитного поля, можно шунтировать, то есть, закоротить часть магнитного потока, так что в окружающем пространстве магнитное поле станет немного слабее. В качестве магнитных шунтов были применены маленькие ферритовые кольца (10х6х3, 8х4х2 и т.д.), бесплатно выковырянные из дохлых ламп-экономок (8 на рис.10). Эти кольца нужно просто примагнитить к слишком сильному магниту (или двум-трем) с той их стороны, что дальше от центра платформы. Оказалось, что подбирая количество и размеры шунтов для каждого «слишком сильного» магнита, можно достаточно точно отгоризонтировать положение парящей симметричной фишки. Не забывайте выполнить электрическую балансировку после каждого изменения в магнитной системе!
Первая мысль: сместить вниз магниты с той стороны, где фишку излишне «подпирает».
Вторая мысль: сместить дальше от центра магниты с той стороны, где фишку излишне «подпирает».
Третья мысль: если магниты смещать, то магнитной ось системы постоянных магнитов платформы перекосится относительно магнитной оси системы катушек, из-за чего поведение фишки станет непредсказуемым (особенно при разном ее весе).
Четвертая мысль: сделать сильнее магниты с той стороны, куда наклонена фишка – была отброшена как несбыточная, потому что широкого ассортимента магнитов для подгонки негде было взять.
Пятая мысль: сделать слабее магниты с той стороны, где фишку излишне «подпирает» – оказалась удачной. Более того, достаточно простой в реализации. Магнит, как источник магнитного поля, можно шунтировать, то есть, закоротить часть магнитного потока, так что в окружающем пространстве магнитное поле станет немного слабее. В качестве магнитных шунтов были применены маленькие ферритовые кольца (10х6х3, 8х4х2 и т.д.), бесплатно выковырянные из дохлых ламп-экономок (8 на рис.10). Эти кольца нужно просто примагнитить к слишком сильному магниту (или двум-трем) с той их стороны, что дальше от центра платформы. Оказалось, что подбирая количество и размеры шунтов для каждого «слишком сильного» магнита, можно достаточно точно отгоризонтировать положение парящей симметричной фишки. Не забывайте выполнить электрическую балансировку после каждого изменения в магнитной системе!
ОПЦИИ
К опциям относятся: индикаторы разбаланса усилителя, узел терморегулирования, подсветка и регулируемые ножки платформы.
Индикаторы разбаланса усилителя – две пары светодиодов, расположенные на тех же радиусах, что и датчики, в толще стеклотекстолитового основания платформы (1 на рис. 5). Светодиоды, очень маленькие и плоские, раньше работали в каком-то модеме, но подойдут и от старой мобилки (в SMD исполнении). Светодиоды утоплены в отверстиях, так как фишка, срываясь из центра, шлепается на ближайший магнит и вполне способна разрушить светодиод.
Схема индикатора для одного канала – на рис. 12. Светодиоды должны быть с рабочим напряжением 1,1-1,2 В, т.е. простенькие красные, оранжевые, желтые. При более высоких напряжениях LED-ов (2,9-3,3 В для сверхъярких) следует пересчитать количество диодов в цепочке D3-D6 для сведения к минимуму «мертвой зоны» – минимального напряжения на выходе канала, при котором ни один из светодиодов не светится.
Индикаторы разбаланса усилителя – две пары светодиодов, расположенные на тех же радиусах, что и датчики, в толще стеклотекстолитового основания платформы (1 на рис. 5). Светодиоды, очень маленькие и плоские, раньше работали в каком-то модеме, но подойдут и от старой мобилки (в SMD исполнении). Светодиоды утоплены в отверстиях, так как фишка, срываясь из центра, шлепается на ближайший магнит и вполне способна разрушить светодиод.
Схема индикатора для одного канала – на рис. 12. Светодиоды должны быть с рабочим напряжением 1,1-1,2 В, т.е. простенькие красные, оранжевые, желтые. При более высоких напряжениях LED-ов (2,9-3,3 В для сверхъярких) следует пересчитать количество диодов в цепочке D3-D6 для сведения к минимуму «мертвой зоны» – минимального напряжения на выходе канала, при котором ни один из светодиодов не светится.
Рис. 12.
Я расположил индикаторы так, чтобы светился тот, в сторону которого фишка смещена от центра. Индикаторы помогают легко повесить фишку над левитроном, а также горизонтировать платформу. В нормальном состоянии все они погашены.
Схема узла терморегулирования – на рис. 13. Его назначение – не дать оконечному усилителю перегреться. На выходе термоузла включен вентилятор 50х50 мм 12В 0,13А от компьютера.
Рис. 13.
В схеме термоузла легко узнать немного измененный триггер Шмитта. Вместо первого транзистора использована микросхема TL431. Тип транзистора Q1 указан условно – я воткнул первый попавшийся NPN, способный выдержать рабочий ток вентилятора. В качестве термодатчика использован терморезистор, найденный на старой материнской плате в процессорном сокете. Термодатчик приклеен на радиатор оконечного усилителя. Подбором резистора R1 можно отрегулировать термоузел на срабатывание при температуре 50-60С. Резистор R5 совместно с коллекторным током Q1 определяет величину гистерезиса схемы относительно напряжения на управляющем входе U1.
В схеме на рис. 13 резистор R7 введен для снижения напряжения на вентиляторе и, соответственно, шума от него.
На рис. 14 видно, как вентилятор врезан в нижнюю крышку корпуса.
В схеме на рис. 13 резистор R7 введен для снижения напряжения на вентиляторе и, соответственно, шума от него.
На рис. 14 видно, как вентилятор врезан в нижнюю крышку корпуса.
Рис. 14.
Другой способ применения термоузла – подключение к управляющему выводу MUTE микросхемы оконечного усилителя (рис. 15). Величина указанного на схеме номинала R5 предполагает подключение MUTE (вывода 11 микросхемы U2 по рис. 4) к питанию через резистор 1кОм (НЕ напрямую, как в даташите!). Вентилятор в таком случае не нужен. Правда, при подаче сигнала MUTE на усилитель фишка падает, и после снятия сигнала MUTE сама (почему-то?) не взлетает.
Рис. 15.
Подсветка – 4 ярких светодиода диаметром 3мм, расположенные наклонно к центру в отверстиях основания платформы и декоративной пластины в тех местах, куда фишка не падает. Они включены последовательно и через резистор 150 Ом – к цепи общего питания устройства 15В.
Заключение
ГРУЗОПОДЪЕМНОСТЬ
Чтоб «добить» тему, сняты «грузовые характеристики» левитрона с фишками 25 и 30 мм диаметром. Грузовыми характеристиками я тут назвал зависимость высоты парения фишки над платформой (от декоративной пластины) от суммарного веса фишки.
Для фишки с магнитом 25 мм и общим весом 19г максимальная высота составила 16мм, а минимальная – 8 мм при весе 38г. Между этими точками характеристика практически линейная. Для фишки с магнитом 30 мм грузовая характеристика оказалась между точками 16 мм при 24г и 8 мм при 48г.
С высоты ниже 8 мм от платформы фишка падает, притягиваясь к железным сердечникам катушек.
Для фишки с магнитом 25 мм и общим весом 19г максимальная высота составила 16мм, а минимальная – 8 мм при весе 38г. Между этими точками характеристика практически линейная. Для фишки с магнитом 30 мм грузовая характеристика оказалась между точками 16 мм при 24г и 8 мм при 48г.
С высоты ниже 8 мм от платформы фишка падает, притягиваясь к железным сердечникам катушек.
НЕ ДЕЛАЙ, КАК Я!
Во-первых, не стоит экономить на датчиках. «Голые» датчики Холла, вынутые попарно для каждого канала из двух двигателей (то есть, практически одинаковые!) – все равно проявляют свой безобразно большой температурный коэффициент сопротивления. Даже при одинаковых цепях питания и встречно-разностном включении выходов датчиков, можно получить заметное смещение нуля на выходе канала при изменении температуры. Интегральные датчики SS496 (SS495) имеют не только встроенный усилитель, но и термостабилизацию. Внутренний усилитель датчиков позволит сделать существенно выше общий коэффициент усиления каналов, да и схема их питания выходит попроще.
Во-вторых, следует, по возможности, воздержаться от размещения левитрона в железном корпусе.
В-третьих, двуполярное питание все-таки предпочтительнее, потому что управление коэффициентом усиления и юстировкой нулей получаются проще.
Во-вторых, следует, по возможности, воздержаться от размещения левитрона в железном корпусе.
В-третьих, двуполярное питание все-таки предпочтительнее, потому что управление коэффициентом усиления и юстировкой нулей получаются проще.














